VALVES
Can't find the valve you want?

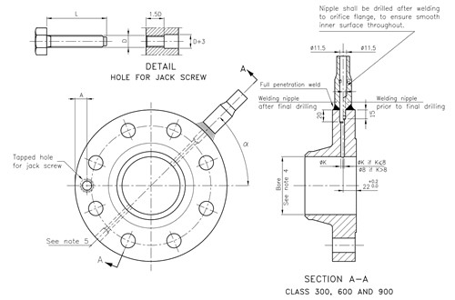
Quality, reliability and the capability to meet and exceed customer’s requirements is the cornerstone of AVR’s business. AVR’s custom products offer a solid construction and an excellent reliability. We are able to manufacture from customer’s drawings and specifications or our engineering group can provide design solutions as required.

Services
Quality Products

Fast Delivery
EN   FR
Telephone
(514) 955-8628
Fax
(514) 955-3922
Toll Free
(888) 855-9628